
Bơm dẫn động từ Finish Thompson DB 4 (thuộc hệ sinh thái DB Series) là phiên bản nâng cấp sức mạnh so với DB3, chuyên trị các ứng dụng luân chuyển hóa chất quy mô nhỏ gọn. Ứng dụng công nghệ Magnetic Drive (Không phớt cơ khí), DB4 loại trừ 100% rủi ro rò rỉ lưu chất độc hại. Với thiết kế cánh quạt mở rộng, máy cung cấp lưu lượng lên tới 3.4 m³/h và cột áp 6.1 mét. Đây là giải pháp lý tưởng, tiết kiệm năng lượng cho các trạm xử lý nước (Water Treatment), hệ thống xi mạ (Plating) và cụm lọc tuần hoàn hồ cá công nghiệp (Aquarium/Zoo).

Dòng bơm FTI DB4 được thiết kế theo nguyên lý hút ngập, mang đến sự an tâm tuyệt đối cho người vận hành nhờ các tính năng cốt lõi:
Dữ liệu kỹ thuật chính xác cho phiên bản DB4 được công bố từ Finish Thompson Inc (Hoa Kỳ):
| Chỉ tiêu kỹ thuật | Thông số định mức FTI DB4 |
|---|---|
| Cổng kết nối (Hút x Xả) | Suction 1″ (25mm) x Discharge 0.5″ (13mm) |
| Chuẩn kết nối | NPT hoặc BSP (Ren trong) |
| Lưu lượng tối đa | 3.4 m³/h (18 gpm) tại tốc độ 2900 RPM |
| Cột áp đẩy tối đa (Max Head) | 6.1 mét (29.2 ft) tại 2900 RPM |
| Đường kính cánh quạt (Impeller) | 2.7 inch (6.9 cm) |
| Áp suất làm việc tĩnh tối đa | 60 psi (4.1 bar) |
| Sức tải tỷ trọng hóa chất (S.G) | Trên 1.8 |
| Dải công suất động cơ | 0.04 kW đến 0.12 kW (0.05 đến 0.17 hp) |
| Vật liệu thân vỏ (Wetted Parts) | Polypropylene (Nhựa PP) hoặc PVDF |
| Nhiệt độ hoạt động giới hạn | Bản PP: 180ºF (82ºC) / Bản PVDF: 220ºF (104ºC) |
Thách thức lớn nhất đối với các loại bơm từ là sự cố cạn nước (Dry-run). FTI DB4 loại bỏ hoàn toàn nỗi lo này nhờ thiết kế cơ khí thông minh:

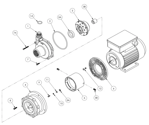
Cấu trúc kín 100% của buồng bơm nam châm từ tính DB Series
Với kích thước cực kỳ nhỏ gọn nhưng công suất được nâng cấp, DB4 được lắp ráp dạng hút ngập (Flooded suction), phục vụ hoàn hảo cho các lĩnh vực:

Đường cong hiệu suất tổng quan của DB Series (DB4 là đường cao hơn so với DB3 bên trái)
Trả lời: Mặc dù dùng chung kích thước vỏ ngoài và cổng hút xả, sự khác biệt nằm ở “trái tim” của máy. Model DB4 được trang bị cánh quạt (Impeller) lớn hơn (Đường kính 6.9 cm so với 5.8 cm của DB3) và kết hợp với động cơ có công suất cao hơn (lên đến 0.12 kW). Nhờ thay đổi cơ khí này, DB4 tạo ra lưu lượng mạnh hơn (3.4 m³/h) và đẩy cao hơn (6.1 mét) so với người đàn em DB3.
Trả lời: Dung dịch xi mạ thường chứa muối kim loại và axit ở nhiệt độ cao, có tính ăn mòn cực kỳ mạnh. Vật liệu nhựa PVDF của DB4 chịu được nhiệt độ lên tới 104°C, hoàn toàn trơ với các phản ứng hóa học, đảm bảo không làm nhiễm ion lạ vào bể mạ. Hơn nữa, công nghệ không phớt ngăn chặn 100% việc hóa chất rò rỉ ra ngoài, bảo vệ an toàn cho nhà xưởng và môi trường nước.
Trả lời: Mức áp suất 60 psi (4.1 bar) là hoàn toàn dư sức đối với một máy bơm cỡ nhỏ như DB4. Áp lực này đủ để máy bơm hóa chất xuyên qua các bộ lọc cặn bẩn trong hệ thống hồ cá công nghiệp (Aquarium), hay luân chuyển tuần hoàn trơn tru trong các tháp lọc khí nhỏ. Nếu bạn không dùng máy để ép màng lọc siêu mịn thì mức áp suất này là rất lý tưởng và an toàn cho đường ống nhựa.
Bạn đang cần máy bơm hóa chất không rò rỉ cho bể xi mạ hay trạm xử lý nước thải? Hãy liên hệ ngay với đội ngũ chuyên gia của Thái Khương Pumps để nhận tư vấn cấu hình vật liệu PP/PVDF chính xác với chế độ Bảo hành chính hãng 5 năm!
Cung cấp Catalogue, Manual (HDSD) và bản vẽ CAD/3D chi tiết phục vụ thiết kế dự án.
YÊU CẦU TÀI LIỆUHệ thống của bạn có yêu cầu đặc thù? Nhận tư vấn chuyên sâu và giải pháp thiết kế từ chuyên gia Thái Khương.
LIÊN HỆ CHUYÊN GIA