DMX-PE DMAX-PE diaphragm sampling valve integrate a physical barrier between the interior of the valve and the external environment. The sample is taken under optimum aseptic conditions.
DMX-PE DMAX-PE diaphragm sampling valve – Definox
– FEATURES
New compact interflange valve design
O-rings that seal between the half bodies and the flange
Quick assembly and disassembly
Can be used for a variety of applications
Low pressure loss and line transfer without retention
Easy to adjust operating devices
– From DN 6/8 to DN 16/18
- DIN version.
– FDA 3A certified diaphragm
- PTFE composite diaphragm
- Inert to cleaning solutions (CIP), solvents, essential oils.
– Ergonomic handle
- Plastic material PBT, offering high resistance against chemical products up to 130°C.
- Stainless steel version, optional.
– 4 levels of internal finishes
- Standard
- Internal polish
- Internal external polish
- Electropolish
– Clamp assembly
- Fast disassembly and modification of the operating devices
- Centering and homogeneous tightening of the diaphragm.
– Ergonomic handle
- Plastic material PBT, offering high resistance against chemical products up to 130°C.
- Stainless steel version, optional.



Technical Advantages DMX-PE DMAX-PE diaphragm sampling valve
- Half body: stainless steel 316L
- Disc: stainless steel 316L
- Weld end: stainless steel 316L
- Seal: EPDM – fluorinated elastomer (FKM) or silicon
- Flange and fastening: stainless steel 304
- Operating devices: stainless steel 304

Replacing pfa seals DMX-PE DMAX-PE diaphragm sampling valve
OPERATING DEVICES
– MANUAL – DPX
Left standard or trigger handle
Right standard or trigger handle
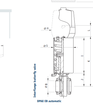
– AUTOMATIC – DPAX
Single or double acting valve actuator
– SIGNALLING EQUIPMENT
Visible on single or double stainless steel bracket
Point-to-point or AS-i control unit
ICS (from DN 25 to DN 150)
ACS (from DN 25 to DN 150)
– SURFACE CONDITIONS
RA exterior = 1.2 μm (150 grit)
RA interior = 0.8 μm (180 grit)
Application of DMX-PE DMAX-PE diaphragm sampling valve
With the above outstanding advantages, defines valves are very popular with investors in many fields such as:
– Food, pharmaceutical, chemical, and cosmetic industries
– Animal feed processing industry,…
Get the detailed specification file of the DMX-PE DMAX-PE diaphragm sampling valve here:
*Technical team/consultant Thai Khuong Pumps is ready to connect to support you with information about industrial pumps in the fastest way. Contact Thai Khuong Pumps immediately, so we can better assist you.





