CAR non-return valve – A non return valve (or check valve) allows for the control of the direction that the fluid circulates. This system lets the fluid pass through
CAR non-return valve – Definox
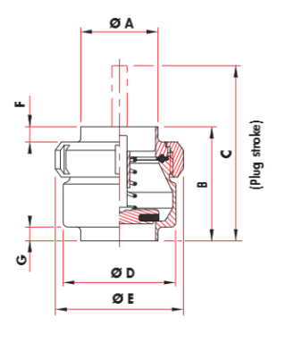
The DEFINOX non-return valve is made of 316L stainless steel with a surface finish of Ra = 0.8 μm. To disassemble, a fitting is required upstream. This valve uses a guided plug with spring return. It is designed to recover full bore and thereby guarantee that the pressure drop is kept to a minimum in the direction of flow. It can easily be removed thanks to an SMS nut which assembles the two main parts: the body and the plug guide.
– DN 1/2″ to DN 125
- SMS, DIN or US versions.
– 3 end connections
- Butt weld
- Clamp clamp
- Between flanges.
– 2 types of sealing
- Elastomer (EPDM or FKM)
- PFA, 3A certified.
– Metal metal version, optional
- Adapted to abrasive product or fluid with particles.
– PFA PTFE
- Adapted to CIP circuits and aggressive products.
– Hygienic and sturdy design
- Mass-machined body



- Van một chiều CAR – Definox
Technical Advantages CAR non-return valve
- Maximum temperature: +120 độ C
- Minimum temperature: 0 độ C
- Maximum working pressure: 10 bar


- Kích thước van một chiều CAR
Replacing pfa seals CAR non-return valve
DEFINOX cung cấp hai mô hình van áp suất / chân không:
• Van nhỏ gọn với kết nối đèn áp 2 “hoặc 2” 1/2 hoặc ổ cắm DIN 50,
• Van 4 “với kết nối kẹp. Mô hình này được trang bị thiết bị đóng mở bằng tay. Các van này có sẵn trong Các phạm vi áp suất / chân không:
– Chân không: 30 mbar,
– Áp suất: 0,05 đến 2 bar, tùy thuộc vào lò xo, được làm bằng thép không gỉ 316L và được trang bị một phích cắm PTFE và phớt silicon để tránh bị dính. Sự phóng điện từ các van này không được lưu thông.
Application of CAR non-return valve
With the above outstanding advantages, defines valves are very popular with investors in many fields such as:
– Food, pharmaceutical, chemical, and cosmetic industries
– Animal feed processing industry,…
Get the detailed specification file of the CAR non-return valve here:
*Technical team/consultant Thai Khuong Pumps is ready to connect to support you with information about industrial pumps in the fastest way. Contact Thai Khuong Pumps immediately, so we can better assist you.






