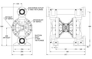
Cấu tạo bơm Non-Metallic B50
Your email address will not be published. Required fields are marked *
Comment *
Name
Email
Website