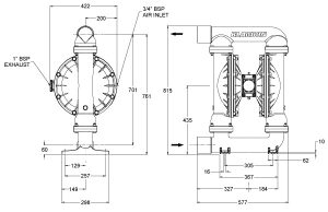
Cấu tạo bơm Metallic B75
Your email address will not be published. Required fields are marked *
Comment *
Name
Email
Website